Sign In | Join Free | My adobecards.com
China TOP Electronic Industry Co., Ltd. logo
TOP Electronic Industry Co., Ltd.
TOP is a professional electronic components distributor in China. we offer one-stop solution service , from communication modules , antennas , PCB , PCBA , and all components for PCB Bom.
Verified Supplier

10 Years

Home > Integrated Circuit Components >

TPA3123D2PWPR Class D Amp 15W Stereo 92% Efficiency 8-26V Wide Input Thermal Protection Low THD+N Pop-Free Start Compact TSSOP-28 EMI Reduced Hi-Fi

TOP Electronic Industry Co., Ltd.
Trust Seal
Verified Supplier
Credit Check
Supplier Assessment
Contact Now

TPA3123D2PWPR Class D Amp 15W Stereo 92% Efficiency 8-26V Wide Input Thermal Protection Low THD+N Pop-Free Start Compact TSSOP-28 EMI Reduced Hi-Fi

  • 1
  • 2
  • 3

Brand Name : Texas Instruments

Model Number : TPA3123D2PWPR

Certification : CE, GCF, ROHS

Place of Origin : China

MOQ : 1

Price : Negotiable

Payment Terms : T/T, Western Union,

Supply Ability : 1000pcs per month

Delivery Time : 3-5 working days after received the payment

Packaging Details : Packed in original tray firstly ,then carton, at last Bubble bag for outer packing

Function : Step-Up, Step-Down

Output Configuration : Positive or Negative

Topology : Buck, Boost

Output Type : Adjustable

Number of Outputs : 1

Contact Now

TPA3123D2PWPR Class D Amp 15W Stereo 92% Efficiency 8-26V Wide Input Thermal

Protection Low THD+N Pop-Free Start Compact TSSOP-28 EMI Reduced Hi-Fi Audio

FEATURES

• 25-W/ch into a 4-Ω Load from a 27-V Supply 2

• 20-W/ch into a 4-Ω Load from a 24-V Supply

• Operates from 10 V to 30 V

• Efficient Class-D Operation Eliminates Need for Heat Sinks

• Four Selectable, Fixed-Gain Settings

• Internal Oscillator (No External Components Required)

• Single-Ended Analog Inputs

• Thermal and Short-Circuit Protection With Auto Recovery

• Space-Saving Surface-Mount 24-Pin TSSOP Package

• Pin-to-Pin compatible with TPA3120D2

• Advanced Power-Off Pop Reduction

APPLICATIONS

• Televisions

DESCRIPTION

The TPA3123D2 is a 25-W (per channel) efficient, Class-D audio power amplifier for driving stereo speakers in a single-ended configuration or a mono speaker in a bridge-tied-load configuration. The TPA3123D2 can drive stereo speakers as low as 4 Ω. The efficiency of the TPA3123D2 eliminates the need for an external heat sink when playing music.

The gain of the amplifier is controlled by two gain select pins. The gain selections are 20, 26, 32, 36 dB.

The patented start-up and shut-down sequences minimize pop noise in the speakers without additional circuitry.

INFORMATION

Category
Manufacturer
Texas Instruments
Series
-
Packaging
Tape & Reel (TR)
Cut Tape (CT)
Digi-Reel®
Part Status
Active
Type
Class D
Output Type
2-Channel (Stereo)
Max Output Power x Channels @ Load
25W x 2 @ 4Ohm
Voltage - Supply
10V ~ 30V
Features
Depop, Mute, Short-Circuit and Thermal Protection, Shutdown
Mounting Type
Surface Mount
Operating Temperature
-40°C ~ 85°C (TA)
Supplier Device Package
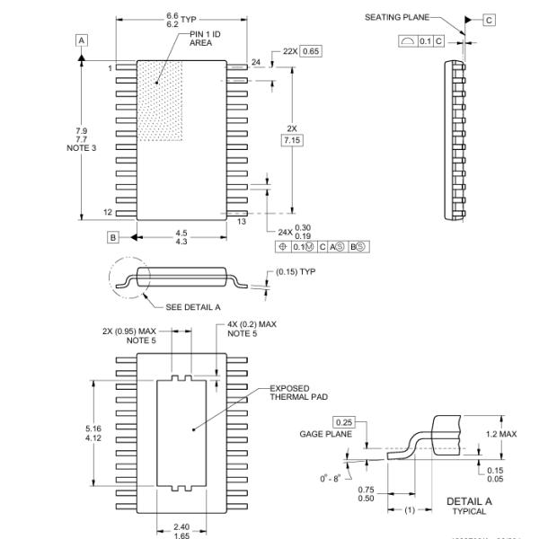
24-HTSSOP
Package / Case
24-PowerTSSOP (0.173", 4.40mm Width)
Base Product Number

Drawing

TPA3123D2PWPR Class D Amp 15W Stereo 92% Efficiency 8-26V Wide Input Thermal Protection Low THD+N Pop-Free Start Compact TSSOP-28 EMI Reduced Hi-Fi

Our advantage :

  • High quality products --- our offers are 100% new and original, ROHS
  • Competitive price --- good Purchase channels with good price.
  • Professional service --- strict quality testing before the shipment, and perfect after-sales service after the purchase.
  • Adequate inventory --- With the support of our strong Purchasing team,
  • Fast delivery --- we will ship the goods within 1-3 working days after the payment confirmed.

be sure to meet your need for all kinds of components. ^_^


Product List
Supply a Series of Electronic Components, full range of semiconductors, active & passive Components.We can help you to get all for bom of the PCB,IN a word, you can get one-stop solution here,


The offers including:
Integrated Circuit, Memory ICs, Diode, Transistor , Capacitor, Resistor, Varistor, Fuse, Trimmer & Potentiometer, Transformer, Battery, Cable, Relay, Switch, Connector, Terminal Block, Crystal & Oscillator, Inductor, Sensor, Transformer, IGBT Driver, LED,LCD, Convertor, PCB (Printed Circuit Board),PCBA (PCB Assembly)

Strong in Brand:
Microchip, MAX, AD, TI, ATMEL, ST, ON, NS, Intersil, Winbond, Vishay, ISSI, Infineon, NEC, FAIRCHILD, OMRON,YAGEO, TDK, etc


Product Tags:

Class D amplifier 15W stereo

      

Hi-Fi audio IC thermal protection

      

TPA3123D2PWPR amp low THD+N

      
 TPA3123D2PWPR Class D Amp 15W Stereo 92% Efficiency 8-26V Wide Input Thermal Protection Low THD+N Pop-Free Start Compact TSSOP-28 EMI Reduced Hi-Fi Manufactures

TPA3123D2PWPR Class D Amp 15W Stereo 92% Efficiency 8-26V Wide Input Thermal Protection Low THD+N Pop-Free Start Compact TSSOP-28 EMI Reduced Hi-Fi Images

Inquiry Cart 0
Send your message to this supplier
 
*From:
*To: TOP Electronic Industry Co., Ltd.
*Subject:
*Message:
Characters Remaining: (0/3000)